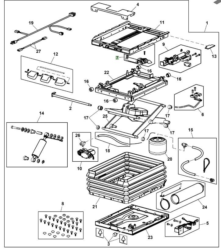
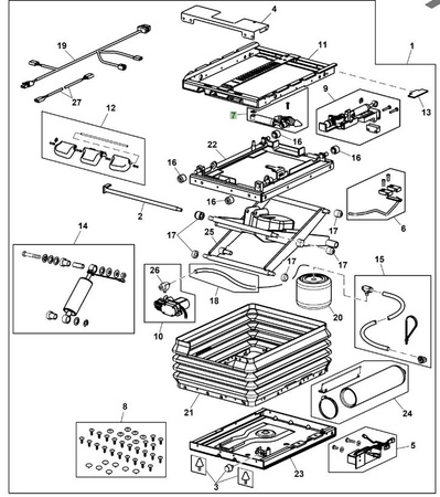
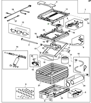
Zestaw
Zastosowanie:
7630, 7720, 7820, 7920, 7730, 7830, 7930, 8110, 8210, 8310, 8410, 8120, 8220, 8320, 8420, 8520, 8130, 8230, 8330, 8430, 8530, 9100, 9200, 9300, 9400, 9120, 9220, 9320, 9420, 9520, 9620, 9230, 9330, 9430, 9430T, 9530, 9530T, 9630, 9630T
Marka
Numer katalogowy
RE307761
Zapytaj o produkt
Napisz swoją opinię

