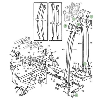
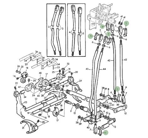
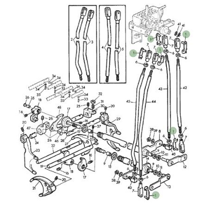
Kołek blokujący sprężynowy 45M7065 John Deere
Kołek blokujący sprężynowy 45M7065 John Deere
Zastosowanie:
Ciągniki John Deere:
Serie: 2000, 3000, 5000, 6000, 7000
Kombajny John Deere
Seria: X9
Ładowarki John Deere:
110, 110TLB
Marka
Numer katalogowy
45M7065
Zapytaj o produkt
Napisz swoją opinię

