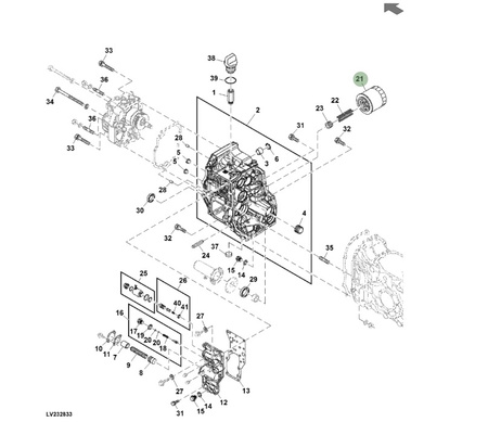
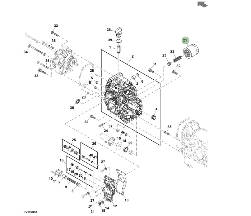
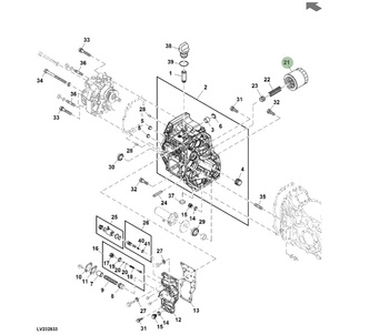
FILTR
Zastosowanie: 2027R - CIĄGNIK, KOMPAKTOWY 2027R Compact Utility Tractor - PC11963 3TNV88 - CIĄGNIK, KOMPAKTOWY 2032R Compact Utility Tractor (Worldwide Edition) - PC11964 2032R - CIĄGNIK, KOMPAKTOWY 2032R Compact Utility Tractor (Worldwide Edition) - PC11964 3TNV82A - CIĄGNIK, KOMPAKTOWY 2520 Compact Utility Tractor - PC9500 2520 - CIĄGNIK, KOMPAKTOWY 2520 Compact Utility Tractor - PC9500 2720 - CIĄGNIK, KOMPAKTOWY 2720 Compact Utility Tractor - PC9791 3TNV88 - CIĄGNIK, KOMPAKTOWY 2720 Compact Utility Tractor - PC9791 4100 - CIĄGNIK, KOMPAKTOWY 4100 Compact Utility Tractor - PC2654 4110 - CIĄGNIK, KOMPAKTOWY 4110 Compact Utility Tractor - PC2916 4115 - CIĄGNIK, KOMPAKTOWY 4115 Compact Utility Tractor - PC2917
Marka
Numer katalogowy
LVU800097
Zapytaj o produkt
Napisz swoją opinię


















